欢迎来到成都俊熙电子配件生产有限公司

您当前所在的位置:主页 > 产品中心 > 成套索具系列 >
COMPLETE SETS SERIES
成套索具系列

羊角钢丝绳接头

羊角钢丝绳接头

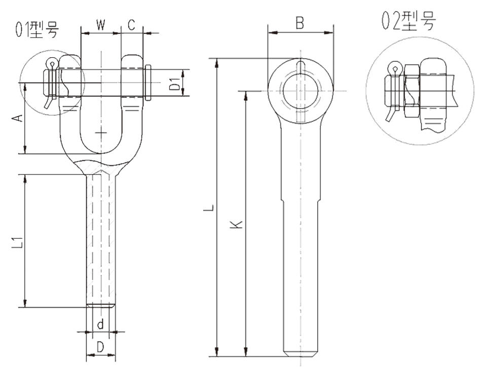
1、接头采用碳钢模锻而成,压合钢丝绳处采用机械加工,尺寸精度高,可放心与钢丝绳配合使用。 2、产品可用于牵引钢丝绳用,使用方便。 3、不能用于同捻向钢丝绳,不能用于纤维绳

全国咨询热线:

更多联系方式
-产品详情- -产品参数-
1、接头采用碳钢模锻而成,压合钢丝绳处采用机械加工,尺寸精度高,可放心与钢丝绳配合使用。
2、产品可用于牵引钢丝绳用,使用方便。
3、不能用于同捻向钢丝绳,不能用于纤维绳。
4、需用模具压合钢丝绳,防止脱落。

产品参数

相关产品

创造客户价值 助力客户成功

成都俊熙电子配件生产有限公司凭借着高新的技术、优异的品质及良好的服务赢得了客户点赞,在国内外众多企业大放异彩!

COPYRIGHT© 成都俊熙电子配件生产有限公司 ALL RIGHTS RESERVED